2014 Jetta Wiring Diagram
Vt Commodore Ignition Wiring Diagram, Complete Wiring Diagrams For Holden Commodore VT, VX, VY, VZ, VE, VF, 5.36 MB, 03:54, 32,796, John Amahle, 2018-08-01T19:37:41.000000Z, 19, Vt Commodore Ignition Wiring Diagram, to-ja-to-ty-to-my-to-nasz-swiat.blogspot.com, 1272 x 1800, jpeg, bcm pcm 12j swiat nasz, 20, vt-commodore-ignition-wiring-diagram, Anime Arts
Wiring volkswagen volkswagen jetta. Volkswagen jetta 16v electrical wiring diagrams. 5ba8e68 2014 jetta wiring diagram. 5d9c5ff 87 chevy blazer ignition wiring diagram.
64872b5 2015 polaris sportsman atv wiring diagram. Vw jetta headlight wiring diagram. To properly read a electrical wiring diagram, one offers to learn how the particular components in the system operate. For instance , if a. In this article you will find a description of fuses and relays volkswagen, with photos of block diagrams and their locations. 13 2014 jetta se fuse box diagram melissappos. blogspot. com. Jetta touran fixya tdisline 20a motogurumag astrozone f42. 2007 volkswagen jetta fuse box diagram. 03c440d 585 wiring diagram for international with cab.
2842 2014 Vw Jetta Power Distribution Wiring Diagram RAR Download ~ 637 Epub Download
59 2014 Jetta Radio Wiring Diagram - Wiring Diagram Harness

2014 Vw Jetta Headlight Wiring Diagram - THE-INSTRUMENT

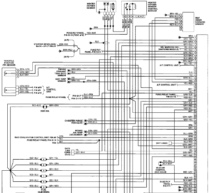
2014 Volkswagen Jetta Engine harness. Engine Wiring Harness. 2.0 LITER DIESEL. 2.0 LITER, DIESEL

2014 Volkswagen Jetta Engine harness. Engine Wiring Harness. 2.0 LITER GAS, W/O TURBOCHARGER

42 2014 Vw Jetta Radio Wiring Diagram - Wiring Diagram Source Online

29 2014 Vw Jetta Fuse Box Diagram - Wire Diagram Source Information
2014 Volkswagen Jetta Se Fuse Diagram
[EB_7187] 04 Jetta Fuel Pump Relay Location Free Image About Wiring Diagram Schematic Wiring
![2014 Jetta Wiring Diagram [EB_7187] 04 Jetta Fuel Pump Relay Location Free Image About Wiring Diagram Schematic Wiring](https://static-resources.imageservice.cloud/11671923/2014-vw-jetta-wiring-diagram-data-diagram-schematic.jpg)
